Datenschutzeinstellungen

Wir nutzen Cookies auf unserer Website. Einige von ihnen sind essenziell, während andere uns helfen, diese Website zu verbessern.

Alle akzeptieren Speichern Ablehnen
Details zu den verwendeten Cookies anzeigen

02 Einführung ins 2D

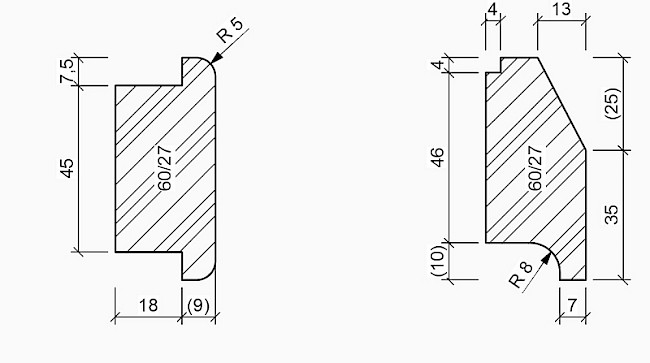
Am Anfang zeichnen wir in 2D Profilquerschnitte. Die Profile können wir später als Basis für weitere 3D-Übungen verwenden.

Du kannst dir als Erweiterung der Übung auch genau die Profile anlegen, die bei euch im Betrieb verwendet werden bzw. vorhanden sind (Siehe Zusatzaufgabe).

Dies ist die Gelegenheit, mal zusammen mit dem Werkstatt-Meister die vorhandenen Profilfräser im Betrieb anzusehen. Vielleicht schaust du dir vorher die verschiedenen Werkzeugtypen nochmal an: Verbundwerkzeuge, zusammengesetzte Werkzeuge, formschlüssige Profilmesser, HW-Schaftfräser usw. Drehzahl, Schnittgeschwindigkeit und Vorschub sollten dabei auch keine Fremdwörter sein! Vielleicht vorher nochmal ins Fachbuch schauen.